Bellow Type Load Cell T701
Made of Stainless Steel, Strong stability
Used in various automated stamping applications, IP68 protection
Mainly used for packing scales, hopper scale and industrial measuring system
Product Description
Bellow Type Load Cell
Features & Applications
Made of Stainless Steel, Strong stability
Used in various automated stamping applications, IP68 protection
Mainly used for packing scales, hopper scale and industrial measuring system
Specifications
| Specifications | Technique |
| Capacity |
5, 10, 20, 30, 50, 100, 200, 500kg |
| Accuracy class |
C3 |
| Rated output |
2.0±0.05mV/V |
| Zero balance | ±2%F.S. |
| Non-linearity | 0.018%F.S |
| Hysteresis | 0.017%F.S |
| Repeatability | 0.018%F.S |
| Creep(30min) | 0.0166%F.S. |
| Temp.effect on sensitivity | 0.008%F.S./10℃ |
| Temp.effect on zero signal | 0.0125%F.S./10℃ |
| Input resistance | 390±5Ω |
| Output resistance | 350±5Ω |
| Insulation | ≥5000MΩ/100VDC |
| Nominal range of Nominal range of excitation voltage | 5-15V |
| Maximum Nominal range of excitation voltage | 15V |
| Compensated temp range | -10~40℃ |
| Operating temperature range | -30~70℃ |
| Safe load limit | 150%F.S. |
| Breaking load | 300%F.S. |
| Cable size | Φ5.4×3150mm |
| Weight approx. |
0.5kg |
| Material |
Stainless Steel |
| lP class | IP68 |
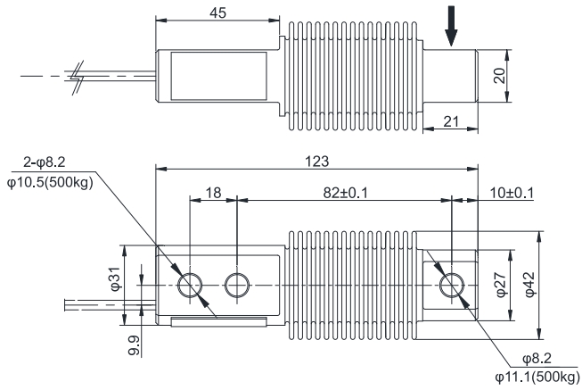
Mounting Dimension

Load Direction

Wiring Code

FAQ
Can you send your sensor to my warehouse in guangzhou?
of course,We have good transportation here
How long it takes you to provide the designing options for us?
According to the customer's needs, we will give the plan within three days
Are you a trading company or a manufacturer?
Our company is a high-tech manufacturer which dedicated in developing, manufacturing and sales of high-end load cell, tension sensor, and all kinds of non-standard sensors.
What is your sample policy?
We can supply the sample if we have ready parts in stock.
How do you make our business long-term and good relationship?
We keep excellent quality, thoughtful after-sales service and competitive price to ensure our customers' benefit;
We respect every customer as our friend and we sincerely do business and make friends with them, no matter where they come from.


