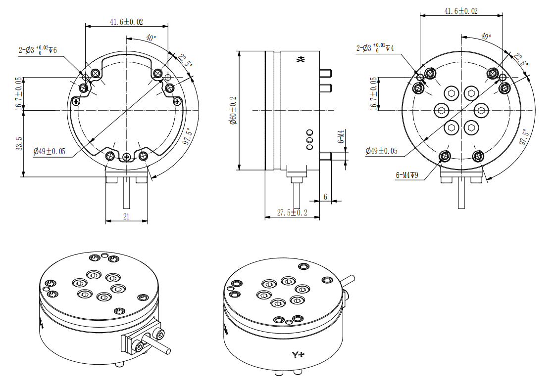
Product Description
Specifications
| Specifications | Technique |
| Rated Capacity | Fx=Fy=200N,Fz=400NMx=My=Mz=10N.m |
| Output mode | Ethercat |
| Distinguishability | Fx=Fy=0.IN,Fz=0.2NMx=My=Mz=0.005N.m |
| Non-linearity | 0.2%F.S. |
| Hysteresis | 0.2%F.S. |
| Repeatability | 0.1%F.S. |
| Creep (30min) | 0.1%F.S. |
| Temp. effect on output | 0.1%F.S./10°C |
| Temp. effect on zero | 0.1%F.S./10°C |
| Insulation | ≥2000MΩ/50VDC |
| Supply voltage | 10~95VDC |
| Picking rate | 1kHz |
| Power | ~3W |
| Compensated temp range | -10~40°C |
| Operation temp range | -20~60°C |
| Safe overload | 200%F.S. |
| Ultimate overload | 500%F.S. |
| IP class | IP65 |
| Cable | To Be Determined |

| Limit Deviations for Untoleranced Dimensions | ||||
| Size Range | f (Fine) | m (Medium) | c (Coarse) | v (Very Coarse) |
| 0~6 | ±0.05 | ±0.1 | ±0.2 | ±0.5 |
| >6~30 | ±0.1 | ±0.2 | ±0.5 | ±1.0 |
| >30~120 | ±0.15 | ±0.3 | ±0.8 | ±1.5 |
| >120~400 | ±0.2 | ±0.5 | ±1.2 | ±2.5 |
| >400~1000 | ±0.3 | ±0.8 | ±2 | ±4 |
| >1000~2000 | ±0.5 | ±1.2 | ±3 | ±6 |
| >2000~6000 | ±1 | ±2 | ±4 | ±8 |











