Weighing Module T001
High-precision load cell module, made of stainless steel, strong ability to resist unbalanced load and overload, good long-term stability, with a maximum range of 500kg; suitable for various ground scales, can scales, belt scales, packaging scales and industrial weighing systems.
Product Description
Weighing Module
Features & Applications
Stainless steel welded sealed sensor, protection level lp68 can be used in various harsh environments.
Ball connection always maintains the vertical weighing state of the module.
Support bolts to prevent equipment from overturning.
Easy and fast installation.
Easy maintenance, saving downtime and maintenance time.
It is suitable for batch weighing control of small, medium and capacity reaction tanks in chemical, pharmaceutical, food and other industries.
Stainless steel materials have strong resistance to unbalanced load and overload, and have good long-term stability.
Maximum range:500kg.
Used for various ground scales, canned scales, belt scales, packaging scales and industrial weighing systems.
Specifications
| Specifications | Technique |
| Sensitivity |
2.0±10%mV/V 3.0±10%mV/V(Option) |
| Zero balance | ±2%mV/V |
| Non-linearity | 0.03%F.S |
| Hysteresis | 0.03%F.S |
| Repeatability | 0.03%F.S |
| Creep(30min) | 0.03%F.S |
| Temp.effect on Sensitivity | 0.025%F.S./10℃ |
| Temp.effect on zero | 0.025%F.S./10℃ |
| Input impedance | 385±5Ω |
| Output impedance | 350±5Ω |
| Insulation | ≥5000MΩ/100VDC |
| Recommended excitation | 10V |
| Maximum excitation Voltage | 15V |
| Compensated temp range | -10~60℃ |
| Operating temp range | -20~80℃ |
| Safe load limit | 150%F.S. |
| Breaking load | 200%F.S. |
| Cable size | Ø5x6000m |
| Material | Stainless steel |
| IP class |
IP65(<500kg) IP68(≥500kg) |
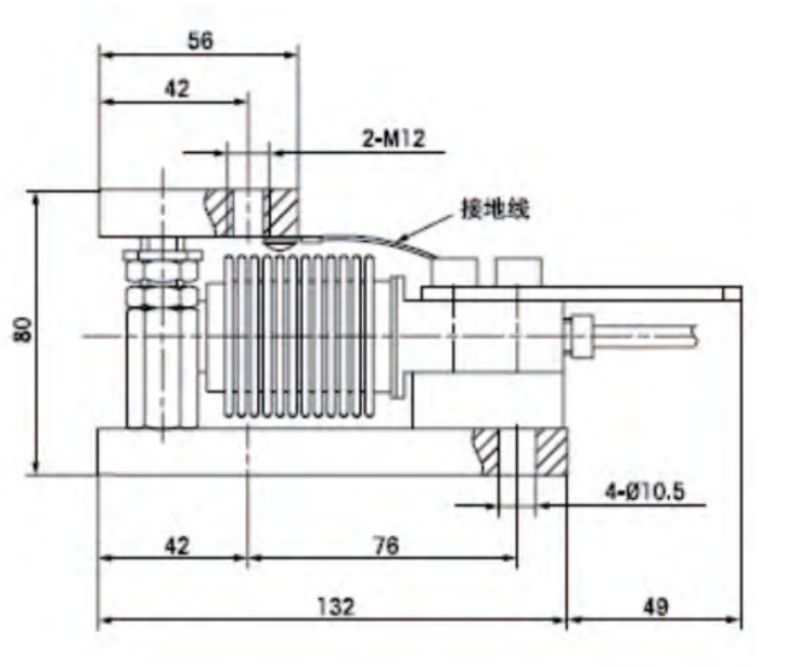
Mounting Dimension




FAQ
If OEM is acceptable?
Certainly! OEM is one of our core business areas. We have a professional team and advanced production lines to ensure high - quality OEM services.
Do you provide sample? Free or charge?
We provide samples, but since the cost of our sensors is relatively high, we can bear the cost together. The customer pays the sample cost, we can bear the freight for the customer
How about your delivery time?
Generally, it will take 10 to 15 days after receiving your advance payment. The specific delivery time depends on the items and the quantity of your order.
Are you a trading company or a manufacturer?
Our company is a high-tech manufacturer which dedicated in developing, manufacturing and sales of high-end load cell, tension sensor, and all kinds of non-standard sensors.
How long it takes you to provide the designing options for us?
According to the customer's needs, we will give the plan within three days
What are your terms of packing?
Generally, we pack our goods in bulks or wooden box, suitable for shipping container.





